Головна » Прес-Центр » Статті та публікації » Реверсивні напівпровідникові контактори
Питання надійності обладнання на сьогодні є надзвичайно важливим. Це в першу чергу пов'язано зі стабільною роботою не лише окремих механізмів, а й підприємства в цілому. До прикладу візьмемо паро-генераторний цех підприємства. Від його нормального функціонування залежить всі технологічні процеси. Використання контакторів з рухомими частинами для керування виконавчих механізмів (клапан подачі води, засувки подачі газу, повітря, димових газів) ставить під сумнів надійну та довготривалу без ремонту роботу всього паро-генераторного цеху.
Це пов'язано з тим, що виконавчі механізми відпрацьовують сигнали від імпульсних регуляторів “більше-менше” (Р-25, ТРМ12, ТРМ-151, МІК-25, МІК-51, Ізодром). Частота вихідних імпульсів регуляторів коливається в межах 10-20 за хвилину. Використовуючи контактори з рухомими частинами навіть дуже відомих виробників, електричний ресурс складає в найкращому випадку 1,2...2,0 млн. циклів. Тобто, термін надійної та довготривалої без ремонту роботи складає 80...135 діб. При використанні більш дешевих контакторів — термін складатиме ще менше. З даного можна зробити висновок, що кожний квартал потрібно обслуговувати контакти та рухомі частини пускачів під час роботи. В деяких випадках зробити цього не можливо, а отже є зростає ймовірність виникнення аварійної ситуації.
Даного недоліка позбавлені реверсивні напівпровідникові контактори фірми Carlo Gavazzi, які не потребують обслуговування. Даний прилад може керувати реверсом трифазних та однофазних двигунів потужністю до 5,5 кВт. Реверсивний напівпровідниковий контактор RR2A40D30 фірми Carlo Gavazzi може замінити вітчизняний аналог РБП-3м10.
Рис. 1. Зовнішній вигляд напівпровідникового реверсивного контактора.

Технічні характеристики напівпровідникових реверсивних контакторів
| RR2A40 | RR2A48 | RR2A40 | RR2A48 | |
| Потужність, кВт | 1,5 | 2,2 | 4,0 | 5,5 |
| Струм навантаження (АС1), А | 25 | 25 | 40 | 40 |
| Струм навантаження (АС3), А | 5 | 5 |
11 | 11 |
| Робоча напруга, В | 400 | 480 | 400 | 480 |
| Напруга керування, В | D — 10...40 В DC, LA — 90...140 B AC, HA – 180...265 B AC | |||

Рис. 2. Вигляд контактора з радіатором і кріпленням на DIN-рейку.

Рис. 3. Габаритні розміри.

Рис. 4. Структурна схема реверсивного напівпровідникового контактора.
Зі структурної схеми видно, що реверс відбувається у двох фазах, а третя фаза є прохідною.

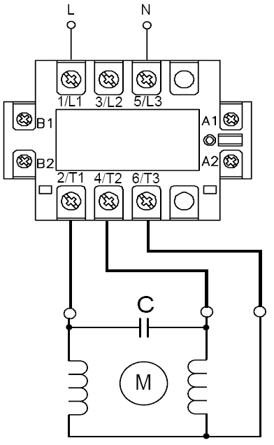
Рис. 5. Схема реверсування однофазного двигуна.

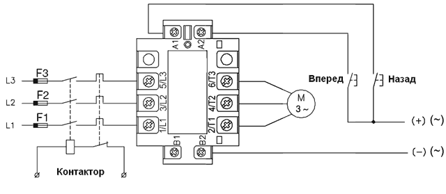
Рис. 6. Схема реверсування трифазного двигуна для короткотривалого режиму.

Рис. 7. Схема реверсування трифазного двигуна для довготривалого режиму.

Рис. 8. Зовнішній вигляд реверсивного напівпровідникового контактора для керування подачею повітря в котел.